আমাদেরকে ইমেইল করুন
খবর

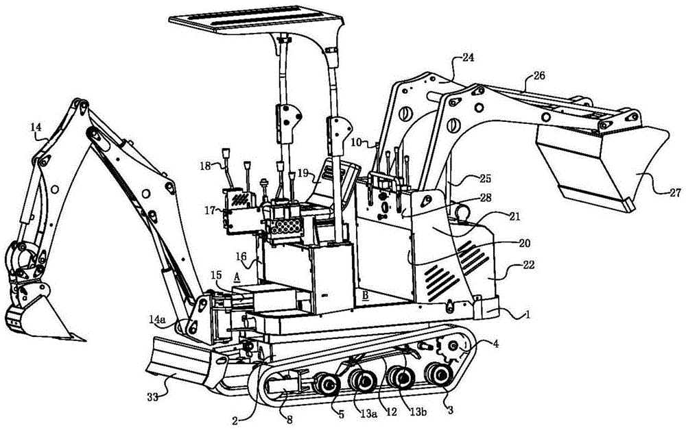
মিনি খননকারীদের নির্মাণ ও রক্ষণাবেক্ষণ

মিনি খননকারীদের নির্মাণ ও রক্ষণাবেক্ষণ


মিনি খননকারী নির্মাণ উদ্ভাবন এবং বুদ্ধিমান রক্ষণাবেক্ষণ: বড় প্রকল্পগুলি বহনকারী ছোট শরীর


1 Min মিনি খননকারক নির্মাণের বিশ্লেষণ: 'স্পেস ম্যাজিশিয়ান' পুনর্নির্মাণের চারটি মাত্রিক প্রযুক্তি

চ্যাসিস এবং হাঁটার ব্যবস্থা:


টেইললেস টার্নিং ডিজাইন: স্যানি এসওয়াই 18 ইউ এর মতো মডেলগুলি একটি "জিরো লেজ প্রোট্রুশন" কাঠামো গ্রহণ করে, যা কেবল 0.86 মিটার একটি লেজ টার্নিং ব্যাসার্ধের সাথে দেয়ালগুলির সাথে সংঘর্ষ না করে সরু টানেলগুলিতে 360 ° মুক্ত ঘূর্ণন করার অনুমতি দেয়। একই সময়ে, আমাদের 0.8 টিন মিনি খননকারীও 1.1 মিটার একটি টার্নিং ব্যাসার্ধ অর্জন করতে পারে, সংকীর্ণ জায়গাগুলিতে বিনামূল্যে এবং নমনীয় অপারেশনের জন্য অনুমতি দেয়।


সামঞ্জস্যযোগ্য ট্র্যাক ফ্রেম: ট্র্যাক গেজটি অবাধে সামঞ্জস্য করা যেতে পারে (যেমন এসওয়াই 16 সি সমর্থন করে 980-1350 মিমি সম্প্রসারণ এবং সংকোচনের), এটি 1 মিটারের সরু গলিগুলি অতিক্রম করা সহজ করে তোলে। রাবার ট্র্যাক গ্রাউন্ডিং চাপ 25 কিপিএর মতো কম, পাকা জমিটি রক্ষা করে।


স্ব -তৈলাক্তকরণ বিয়ারিংস: ইয়ানমার চ্যাসিস traditional তিহ্যবাহী বল বিয়ারিংয়ের পরিবর্তে ইগলিডুর জি সিরিজ প্লাস্টিকের বিয়ারিংস ব্যবহার করে, যা অ্যান্টি ফাউলিং, অ্যান্টি মরিচা এবং রক্ষণাবেক্ষণ মুক্ত, পরিষেবা জীবনকে তিনবার বাড়িয়ে তোলে।




শক্তি এবং জলবাহী সিস্টেম:


ডুয়াল মোড পাওয়ার রেভোলিউশন: ছোট খননকারী কুবোটা কেএক্স 019 গ্রহণ করে, যা ডিজেল/বৈদ্যুতিন একটি ক্লিক স্যুইচিং সমর্থন করে, একটি 20 কেডব্লিউএইচ ব্যাটারি প্যাক 8-ঘন্টা পরিসীমা সরবরাহ করে এবং ইনডোর অপারেশন শব্দটি 66 ডেসিবেলের চেয়ে কম।


বুদ্ধিমান হাইড্রোলিক নিয়ন্ত্রণ: লোড সংবেদনশীল প্রযুক্তি (যেমন শেঙ্গাং এসকে 35 এসআর -6) প্রবাহ বিতরণ যথার্থতা ± 1.8%, 0.7 সেকেন্ডের যৌগিক ক্রিয়া প্রতিক্রিয়া গতি এবং 22%এর শক্তি খরচ হ্রাস অর্জন করে।




কাজের সরঞ্জামগুলির বর্ধন:


প্রতিরোধী কাঠামো পরিধান করুন: কমপ্যাক্ট খননকারীর বুমের বর্ণিত যৌথটি কার্বুরাইজিং তাপ চিকিত্সা (কঠোরতা এইচআরসি 55+) হয়েছে, এবং বালতিটি হার্ডক্স 500 পরিধান-প্রতিরোধী প্লেট (হার্ডনেস এইচবি 500) দিয়ে ঝালাই করা হয়েছে, তার পরিষেবা জীবনকে 30%দ্বারা প্রসারিত করে।


সাইড মুভিং আর্ম পেটেন্ট: কুবোটা অনূর্ধ্ব -15-3 এস 350 মিমি 595 মিমি/ডান বিচ্যুতির বাম বিচ্যুতি অর্জন করে এবং প্রাচীর মাউন্ট করা খননকারী শরীরকে সরিয়ে নেওয়ার প্রয়োজন হয় না।


রোটারি ডিভাইস, 360 ° অল-রাউন্ড অপারেশন, বিভিন্ন কাজের পরিবেশের সাথে খাপ খাইয়ে নিতে নমনীয়।


মানব কম্পিউটার ইন্টারঅ্যাকশন আপগ্রেড


রোল ওভার প্রতিরোধী ক্যাব: আরপিএস/এফওপিএস দ্বারা প্রত্যয়িত (16 টন স্ট্যাটিক চাপের প্রতিরোধী), ভাসমান আসন, এলসিডি টাচ স্ক্রিন এবং এআই চারপাশের ভিউ পর্যবেক্ষণে সজ্জিত, অন্ধ দাগগুলিকে 40%হ্রাস করে।


2 、 রক্ষণাবেক্ষণ এবং দৈনিক রক্ষণাবেক্ষণ:

দৈনিক রক্ষণাবেক্ষণের সোনার নিয়ম


জলবাহী তেল পরিচালনা: গ্রীষ্মে অ্যান্টি-ওয়্যার হাইড্রোলিক তেল নং 68 এবং শীতকালে কম সান্দ্রতা তেল নং 32 ব্যবহার করুন। পাম্প এবং ভালভ পরিধান রোধ করতে নিয়মিতভাবে NAS (≤ স্তর 8) এর পরিষ্কার -পরিচ্ছন্নতা পরীক্ষা করুন।


মাখন ভরাট চক্র: রোটারি ভারবহনের জন্য প্রতি 10 দিনে গ্রীস ইনজেকশন করুন এবং পিন শ্যাফ্টটি আটকে না এড়াতে ওয়ার্কিং ডিভাইসের কব্জা পয়েন্টের জন্য প্রতি 4-8 ঘন্টা প্রতি উচ্চ-চাপ গ্রীস ইনজেকশন করুন।




মূল উপাদান জীবন সম্প্রসারণ কৌশল:


ট্র্যাক সিস্টেম: খুব আলগা (দাঁত জাম্পিং) বা খুব টাইট (ত্বরণী পরিধান) হওয়া এড়াতে উত্তেজনা সামঞ্জস্য করুন; সমর্থনকারী চক্রের সিলিং ব্যর্থতা রোধ করতে নিয়মিত নুড়ি পরিষ্কার করুন।


"পরেন আয়রন ত্রিভুজ" রক্ষণাবেক্ষণ:

ক্র্যাকস/500 ঘন্টা জন্য জুতো পরিদর্শন ট্র্যাক করুন

ড্রাইভ স্প্রকেট দাঁতগুলি গ্রাউন্ড ফ্ল্যাট এবং অবিলম্বে প্রতিস্থাপন করা হয়

জড় চাকা সিল তেল ফুটো মেরামত করা দরকার

স্টোয়ার্স ক্যাট পরিসংখ্যান অনুসারে, চ্যাসিস ব্যর্থতার 80% এই তিন ধরণের উপাদানগুলির কারণে ঘটে।


চরম কাজের শর্ত পরিচালনার জন্য গাইডলাইনস:


উচ্চ উচ্চতা অপারেশন: মিনি খননকারীর টার্বোচার্জড ইঞ্জিনের একটি বিদ্যুৎ ক্ষতিপূরণ 15%রয়েছে এবং জলবাহী সিস্টেমটি প্রবাহের ক্ষতি রোধে চাপ ক্ষতিপূরণ ভালভ দিয়ে সজ্জিত।

ওয়াটার ওয়েডিং অপারেশন: ইতালীয় বন্যার উদ্ধারে, আধুনিক এইচএক্স 35az একটি সিলড সার্কিট মডিউল দিয়ে 0.8 মিটার একটি ওয়েডিং গভীরতা অর্জন করেছে।


দীর্ঘমেয়াদী স্টোরেজ স্ট্যান্ডার্ড:


একটি শুকনো ঘরে পার্ক করুন, গ্রাউন্ডিং চাপ কমাতে ট্র্যাকগুলি সমর্থন করুন;

ঘনত্ব রোধ করতে জ্বালানী ট্যাঙ্কটি পূরণ করুন, সিল বার্ধক্য রোধ করতে সমস্ত জলবাহী সিলিন্ডারগুলি প্রত্যাহার করুন;

সার্কিট বোর্ডকে স্যাঁতসেঁতে থেকে রোধ করতে প্রতি 3 মাসে একবার শুরু করুন।


3 、 প্রযুক্তিগত সীমান্ত: বিদ্যুতায়ন এবং শিল্প বাস্তুশাস্ত্রের বুদ্ধিমান পুনর্গঠন

শক্তি বিপ্লব:


মডুলার ব্যাটারি: হিটাচি জেডএক্স 55 ইউ -6 ইবি বাণিজ্যিক শক্তি এবং ব্যাটারির দ্বৈত ড্রাইভকে সমর্থন করে, 2 ঘন্টা দ্রুত চার্জিং সহ 6 ঘন্টার মধ্যে 10 ঘন্টা অপারেশন পূরণের জন্য।


হাইড্রোজেন শক্তি পরীক্ষা: এইচডি হুন্ডাই শূন্য কার্বন নির্মাণ অর্জনের জন্য একটি হাইড্রোজেন জ্বালানী ইঞ্জিন (এইচএক্স 12) তৈরি করেছে।


ভবিষ্যদ্বাণীমূলক রক্ষণাবেক্ষণ:


আইওটি রিমোট ডায়াগনোসিস: স্যানি এসওয়াই 35 ইউ এইচআই মেট সিস্টেম দিয়ে সজ্জিত, যা রিয়েল টাইমে তেলের তাপমাত্রা এবং কম্পনের ডেটা বিশ্লেষণ করে, একটি ত্রুটি সতর্কতার সাথে 92%এর নির্ভুলতার হার।


এআর রক্ষণাবেক্ষণ সহায়তা: কাইজ মাইক্রো এক্সক্যাভেটর ছোট খননকারীদের জন্য ভিআর অপারেশন প্রশিক্ষণ সরবরাহ করে, 30 টি ত্রুটি পরিস্থিতি অনুকরণ করে এবং রক্ষণাবেক্ষণের দক্ষতা 40%দ্বারা উন্নত করে।


4 、 ব্যবহারিক সাক্ষী: প্রাচীন বাড়ি পুনরুদ্ধার থেকে খনির মোকাবেলা পর্যন্ত

তাইজহুতে একটি মিং এবং কিং রাজবংশের পণ্ডিতের বাসস্থান পুনরুদ্ধার: কুবোটা অনূর্ধ্ব -১-৩-৩s ছোট খননকারক একটি 0.85 মিটার খিলানের মাধ্যমে একটি ভূগর্ভস্থ পাইপ ট্রেঞ্চের খনন সম্পন্ন করেছে এবং বুমের পার্শ্বীয় আন্দোলনের কার্যকারিতাটি 95% অক্ষত হার দিয়ে প্রাচীন প্রাচীরকে সুরক্ষিত করেছিল।


চিলির তামা খনিতে ভূগর্ভস্থ অপারেশন: কোনও সংশোধিত শক্তিবৃদ্ধিযুক্ত ক্যাবযুক্ত একটি কমপ্যাক্ট খননকারক কোনও ত্রুটি ছাড়াই 300 ঘন্টা অবিচ্ছিন্নভাবে পরিচালিত হয়, যার ফলে লোডিং ব্যয়ে 23% হ্রাস ঘটে।


টোকিও নাইটটাইম মিউনিসিপাল কনস্ট্রাকশন: স্যানি এসওয়াই 19 ই মিনি খননকারীর খাঁটি বৈদ্যুতিক সংস্করণটি শহরের "নির্মাণ সময় উইন্ডো" এর সমস্যা সমাধান করে 66 ডেসিবেলে নিঃশব্দে কাজ করে।


উপসংহার: একটি ছোট শরীর একটি বড় ভবিষ্যত বহন করে

0.8-টনের অতি-পাতলা মডেল থেকে 4-টনের ভারী শুল্ক যোদ্ধা পর্যন্ত, ছোট খননকারীরা বিশ্বব্যাপী নির্মাণের দৃষ্টান্তটিকে পুনরায় আকার দিয়ে যথার্থ নির্মাণ, বৈচিত্র্যময় শক্তি উত্স এবং বুদ্ধিমান রক্ষণাবেক্ষণের একটি ট্রিপল বিবর্তনের মধ্য দিয়ে যাচ্ছেন। ভারতীয় বাজারে বার্ষিক বিক্রয় ৩১০০ ইউনিট এবং ২০২৫ সালের মধ্যে বৈদ্যুতিক মোটরগুলির জন্য আনুমানিক অনুপ্রবেশের হার ৪০% ছাড়িয়ে যাওয়ার সাথে, "ছোট্ট থেকে বড় করে ব্যবহার করে" এই প্রযুক্তিগত বিপ্লবটি ট্রিলিয়ন ডলারের বাজারে সুবর্ণ সুযোগ উন্মোচন করার নিয়ত।


শিল্প রক্ষণাবেক্ষণের অভিজ্ঞতা:

কমপ্যাক্ট খননকারীদের জন্য, যথার্থ নকশা হ'ল ব্যাকবোন, অন্যদিকে বুদ্ধিমান রক্ষণাবেক্ষণ হ'ল লাইফ ব্লুড, 1 ইউয়ান দ্বারা রক্ষণাবেক্ষণ ব্যয় সাশ্রয় করা এবং 10 ইউয়ান দ্বারা মেরামতের ব্যয় হ্রাস করা।



সম্পর্কিত খবর
আমাকে একটি বার্তা ছেড়ে দিন
ই-মেইল
market@everglorymachinery.com
টেলিফোন
+86-18153282520
মুঠোফোন
ঠিকানা
চাংজিয়াং ওয়েস্ট রোড, হুয়াংডাও জেলা, কিংডাও সিটি, শানডং প্রদেশ, চীন
X
আমরা আপনাকে একটি ভাল ব্রাউজিং অভিজ্ঞতা দিতে, সাইটের ট্র্যাফিক বিশ্লেষণ করতে এবং সামগ্রী ব্যক্তিগতকৃত করতে কুকিজ ব্যবহার করি। এই সাইটটি ব্যবহার করে, আপনি আমাদের কুকিজ ব্যবহারে সম্মত হন। গোপনীয়তা নীতি
প্রত্যাখ্যান করুন গ্রহণ করুন